电场杀菌技术在肉品工业中的应用研究进展

徐莹莹1,2,李凌云3,李东岭3,孔晓慧3,邓绍林1,2,王晓明3,韩敏义1,2,*

(1.岭南现代农业科学与技术广东省实验室云浮分中心,广东 云浮 527400;2.南京农业大学食品科学技术学院,国家肉品质量安全控制工程技术研究中心,江苏 南京 210095;3.温氏食品集团股份有限公司,广东 云浮 527400)

摘 要:电场杀菌技术安全、高效且无物理损伤和化学残留,具有广泛的应用前景。本文梳理3 种不同类型电场的异同,从物理特性角度区分3 种电场,总结现有的作用机制,分析不同电场装置的差异及其对杀菌效果的影响,并归纳其在肉及肉制品杀菌中的主要应用场景,最后对未来发展前景进行展望,以期为电场技术的广泛应用提供理论支撑。

关键词:脉冲电场;静电场;交变电场;肉品杀菌

在肉及肉制品生产加工的各个环节,微生物污染是对消费者健康和产品安全不可忽视的潜在威胁,同时微生物污染也会降低产品的品质,影响产品的感官和风味。因此,有效杀灭产品表面的病原微生物并抑制其生长具有重要意义和必要性。传统的热杀菌技术如巴氏杀菌等存在一定的局限性,如营养价值损失、功能性物质失活[1]、对食品风味产生不良影响[2]。随着食品保鲜技术的迭代更新以及消费者对于新鲜、安全、高品质食品的需求逐渐增长,紫外光、脉冲光、超声、电场、臭氧、超高压和低温等离子体等非热灭菌技术受到广泛关注[3]。在这些新颖的方法中,电场杀菌技术兼具空间灭菌效能、安全、低耗、不会对食品产生物理化学损伤、环保、经济等优势,在杀菌领域发展前景广阔[4]。脉冲电场(pulsed electric field,PEF)、静电场、交变电场是常见的3 种电场类型,本文重点围绕3 种电场的杀菌机制、电场设备、影响杀菌效能的因素展开论述,对电场杀菌技术在肉品中的应用进行详细介绍。

1 电场杀菌技术及其作用机制

1.1 电场杀菌技术简介

电场技术是一种借助物理电场对食品施加特定作用以实现多样化加工目标的技术手段。近年来,该技术在食品领域的应用效果颇为显著,已广泛渗透至食品保鲜、快速冻结、高效解冻等多个方面。其中,电场杀菌技术作为物理电场技术的一个重要分支,其核心在于根据不同应用需求,精准设计并调试出适宜的物理电场参数。该技术通过施加特定形式的电场作用于微生物,间接或直接干扰、破坏其细胞结构与生理功能,进而达到高效杀菌的目的。电场杀菌技术兼具安全可靠、高效环保的优势,能在避免化学残留的同时保持食品物理结构的完整性。常见的物理杀菌电场主要有PEF、静电场和交变电场。PEF是一种瞬时高强度电场,其电场强度在极短时间内(纳秒到毫秒)达到峰值,随后迅速衰减,具有瞬时性和高能量密度,电场强度通常为0.1~80 kV/cm,通过高压脉冲发生器产生,通常由电容器放电实现[5]。静电场是由静止电荷产生的恒定电场,其强度和方向不随时间变化。静电场的作用机制主要基于库仑力,通过对带电粒子施加恒定的力,使其沿电场方向加速运动。交变电场是大小和方向随时间做周期性变化的电场,通常由交流电源产生。其电场强度和方向随时间周期性变化[6],电子做往复运动。交变电场频率范围广泛,从低频50 Hz到高频300 GHz。不同类型电场的对比如表1所示。

表1 不同类型电场的对比[6]
Table 1 Comparison of different types of electric fields[6]

电场类型时间特性电子运动特性电场方向电子运动方向PEF瞬时高强度,快速衰减短暂加速,随后匀速或停止→→(短时间内加速)静电场恒定不变匀加速直线运动→←交变电场周期性变化简谐振动↔↔(短时间内)

1.2 电场杀菌作用机制

1.2.1 PEF杀菌作用机制

目前,PEF的杀菌机制尚未形成统一的定论。针对PEF的杀菌机理,学界提出了多种假说,其中主要包括细胞膜穿孔效应及电解产物效应等。在提出的众多假说中,电穿孔机制被广泛探究和证实[7],一般认为PEF影响食品性质的主要作用方式是电穿孔效应[8]。无论是导致细胞膜被击穿的电崩解效应,还是使细胞亲水性发生改变的电渗透效应,均可视为电穿孔效应的具体表现形式之一。电崩解效应也可称为电击穿效应,是指施加高强度电场击穿细胞膜,从而形成孔隙。该理论把生物细胞视为球形电容器[9],未施加电场时,膜内外遍布极性相反的电荷,存在约10 mV的跨膜电位[10]。施加PEF时,极性相反的电荷沿电场方向移动,聚集在细胞膜内外两侧。膜内外两侧相反离子的吸引力使膜厚度减小,从而使细胞极化[11]。当外部电场强度超过跨膜电位临界阈值(约1 V)时则形成电击穿,造成细胞膜上可逆或不可逆孔隙[12]。另一种电渗透效应是指磷脂双分子层上的疏水性孔变得亲水,使细胞内容物外泄。瞬时高强度电场产生局部焦耳热,且生物细胞有导电性,外加电场使细胞膜磷脂双分子层及蛋白质变得不稳定,疏水孔超过临界尺寸并变得亲水,由于外部电场与焦耳热提供能量,导致亲水孔扩大程度增加,细胞内容物外泄,最终使细胞破裂死亡[13]

1.2.2 静电场杀菌作用机制

在作用于食品方面,静电场除类似PEF的电穿孔机制外,还具有其他有别于PEF的作用机制。通常以电压2 500 V为界限区分高压静电场(high-voltage electrostatic field,HVEF)及低压静电场(low-voltage electrostatic field,LVEF)[14],电晕放电现象是HVEF的重要特征,在芒刺-板型电场及线-板型电场中出现较多,且在电场承载物体介质的尖端边缘往往形成离子风。电晕电极附近,高速电子与中性分子碰撞引发雪崩电离,形成电离层(紧邻高压电极的薄层)。电离层外为漂移区,因异极性电荷被发射极吸收,仅存与电晕电极同极性的单极性离子[15-16]。漂移区外电场强度渐弱,电子能量不足导致气体电离终止,高加速漂移离子与中性空气分子持续碰撞发生动量转移,在电场作用下形成电晕风(离子风)[17]。在这个电离过程中产生的臭氧及活性氧负离子对细菌具有极强的杀灭作用,超氧阴离子自由基破坏细菌的生物膜和细胞核,以及细胞的碳水化合物及蛋白质,过氧化氢则可使细菌细胞氧化膜破裂,失去物质交换能力[18]。羟自由基和其他强氧化性物质氧化并分解有机分子(转运蛋白、合成酶等)和细菌,导致细胞死亡[19]

此外,静电场可以控制冰晶成核,使水分子重新排列。在外部电场作用下,水分子的偶极矩从随机方向对齐到电场矢量的方向,使沿电场方向分布的氢键比沿电场正交方向的氢键作用力强,水的结构变得整齐[20-21],类似于冰结构,但仍未结冰。HVEF能够有效调控冰晶的形成过程,降低结冰温度(冰点),延长成核时间[22],从而达到保鲜效果。HVEF较其他类型电场更为稳定,在加工过程中几乎没有电流流动,能耗极低。

1.2.3 交变电场杀菌作用机制

目前交变电场在食品中的应用研究较少,对于其在食品中的作用机制尚无系统阐述,根据现有讨论,可以归纳为以下3 个方面:1)5 kV以下可称为低压交变电场(low-voltage alternating electric field,LVAEF),高压交变电场(high-voltage alternating electric field,HVAEF)可达10~100 kV。HVAEF也对食品存在电穿孔效应,破坏细胞膜原有的形状,使细胞裂解死亡,LVAEF则不具有电穿孔效应[22]。2)HVAEF是非均匀电场,电场的强度和开/关状态随时间不断变化。LVAEF不具有电穿孔效应,不产生自由基氧化剂,通过影响胞质分裂过程中的细菌分裂阻止细菌的繁殖,从而抑制细菌的生长[22]。3)微波效应是交变电场的另一种作用方式。不论LVAEF还是HVAEF,均可通过这种微波效应作用于食品[23],通过施加外部电场干扰食品内部的水分子振动,频率的交替变换使水分子在交变电场中随着电场方向改变[24]而产生振动、旋转、平移,从而打破分子簇中的平衡状态[25],抑制冰晶成核[26]。交变电场目前主要应用于水产品保鲜,可以加快冻结速率,缩短通过最大冰晶带的时间且形成的冰晶较小[27]。由于交流电场中的电子流向变化具有周期性,会形成电场波动,从而诱导电荷沿着射线往复移动,可减少电荷在某些局部的聚焦[28]

2 电场的装置特点及影响电场杀菌效果的因素

2.1 不同类型电场装置特点

2.1.1 PEF装置特点

PEF处理系统通常由高压脉冲电源、储能放电电容器、控制开关、脉冲发生器、控制系统及电场处理室6 个部分组成[29]。典型的脉冲波类型有单级和双级,双极脉冲波通常比单极脉冲波更有效[29]。PEF波形包括指数衰减脉冲、方波脉冲等,方波峰值电压持续时间长,杀菌效果好[30]。PEF装置的核心在于高压脉冲发生器和处理室设计,不同配置适用于从实验室研究到工业生产的多样化需求。为满足高压PEF灭菌设备工业化对脉冲电源的特殊需求,魏新劳等[31]改进高压脉冲发生器结构,开发出采用固态开关的新型高压脉冲电源,解决了固态开关串联由于开断不一致导致的固态开关串连锁击穿问题。处理室的设计和性能是实现PEF均匀性和有效性的关键方面,适合的处理室设计可以提高PEF技术的处理效果。王思敏[32]设计出适用于中强PEF的圆角型叉指式平板处理室,保留了传统平板处理室电场强度均匀的优点,消除了电极拐角处的尖峰电场,电场分布得到了显著改善。PEF装置示意图如图1所示。

图1 PEF装置示意图[33]
Fig.1 Schematic diagram of a pulsed electric field device[33]

2.1.2 静电场装置特点

静电场的处理系统较PEF处理系统更为简单,主要由3个部分组成:直流电源、高压发生器及处理室。通过直流电源提供低压(0~30 V),经过高压发生器将其转换为高压(50~500 kV),再经由整流、滤波、多谐振变换和多级倍压整流等电路处理,最终转换成稳定的直流高电压。该直流高电压施加在2 块平行的电极板上,形成HVEF[29]。通过调节控制器及电极板之间的距离可以改变电场强度。电极板的类型一般有板-板型、线-板型和芒刺-板型3 种,其中芒刺-板型电晕电流分布均匀且杀菌效果最优[34-36]。使用超高介电常数材料的静电场可以实现在接近临界电场强度而不发生空气击穿的情况下扩大电极距离[37]。付喜锦[38]改进HVEF电源的手动调节装置为红外遥控精确调节,提高设备的使用便携性。赵以雪[39]研制了HVEF保鲜实验装置,实现电极间距的自动调节,使其更适用于实际的应用场景。静电场装置示意图如图2所示。

图2 静电场装置示意图[40]
Fig.2 Schematic diagram of an electrostatic field device[40]

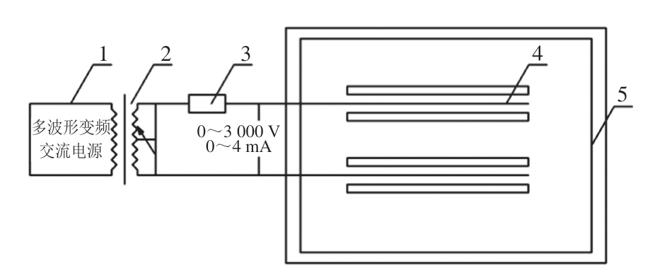
2.1.3 交变电场装置特点

交变电场处理系统同样由3 个部分组成,分别为交变电源、交变发生器及处理室。交变电场装置由交变电源、电压控制器及板电极组成。目前对于交变电场在食品方面的应用研究较少,暂未形成系统理论。交变电场装置示意图如图3所示[41]

图3 交变电场装置示意图[41]
Fig.3 Schematic diagram of an alternating electric field device[41]

1.多波形变频交流电源;2.高频变比可调变压器;3.安全电阻;4.电场发生装置极板;5.电场发生装置。

2.2 影响电场杀菌效果的主要因素

2.2.1 影响PEF杀菌效果的主要因素

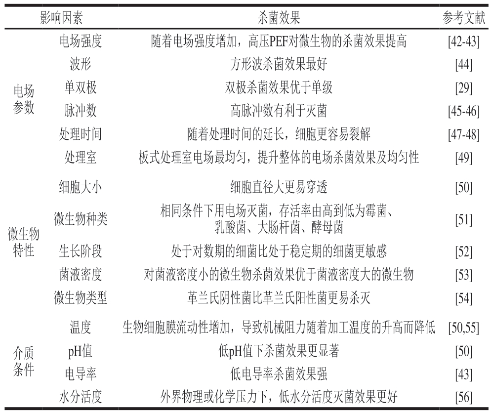
影响PEF杀菌效果的因素众多,根据作用的环节可以划分为电场参数(如处理时间、电场强度、脉冲数和持续时间)、处理介质特性(如电导率)及微生物特性(如形状、大小、细胞壁结构和组成)3 个主要方面。决定处理效率的主要工艺参数包括电场强度、脉冲的形状和持续时间、处理时间、脉冲重复频率、传递的能量和温度。其中电场强度和处理时间会影响电场输送的能量,是最关键的影响因素。微生物的类型、细胞大小和形状及生长条件也同样影响着电场的作用效果。虽然酵母和细菌细胞容易受到高能电穿孔处理的影响,但很大程度上细菌孢子可以抵抗电场处理[8]。影响PEF杀菌效果的因素如表2所示。

表2 影响PEF杀菌效果的因素
Table 2 Factors influencing the sterilization effect of pulsed electric field

影响因素杀菌效果参考文献电场参数电场强度随着电场强度增加,高压PEF对微生物的杀菌效果提高[42-43]波形方形波杀菌效果最好[44]单双极双极杀菌效果优于单级[29]脉冲数高脉冲数有利于灭菌[45-46]处理时间随着处理时间的延长,细胞更容易裂解[47-48]处理室板式处理室电场最均匀,提升整体的电场杀菌效果及均匀性[49]微生物特性细胞大小细胞直径大更易穿透[50]微生物种类相同条件下用电场灭菌,存活率由高到低为霉菌、乳酸菌、大肠杆菌、酵母菌[51]生长阶段处于对数期的细菌比处于稳定期的细菌更敏感[52]菌液密度对菌液密度小的微生物杀菌效果优于菌液密度大的微生物[53]微生物类型革兰氏阴性菌比革兰氏阳性菌更易杀灭[54]介质条件温度生物细胞膜流动性增加,导致机械阻力随着加工温度的升高而降低 [50,55]pH值低pH值下杀菌效果更显著[50]电导率低电导率杀菌效果强[43]水分活度外界物理或化学压力下,低水分活度灭菌效果更好[56]

2.2.2 影响静电场杀菌效果的主要因素

电场强度、电极板类型、电极间距及处理时间等参数均对电场的杀菌效果及其他作用产生决定性影响,一般以芒刺-板型作用效果最好。介质特性如环境温度、电导率、pH值、物理状态在作用过程中也起着重要作用。微生物的不同生长条件、氧气浓度、细胞结构对其作用效果有着至关重要的影响。HVEF对菌群间相互作用也具有一定影响[57]。影响静电场杀菌的因素具体如表3所示。

表3 影响静电场杀菌的因素
Table 3 Factors affecting the sterilization effect of electrostatic field

影响因素杀菌效果参考文献电场参数电场强度在一定范围内,电场强度越大,杀菌效果越显著[19,58]电极间距杀菌效果随电极间距增加而降低[19]处理时间随着处理时间的延长,细胞更容易裂解[19]电极板类型芒刺-板型电晕电流分布均匀且杀菌效果最优[32-34]微生物特性生长阶段处于对数期的细菌比处于稳定期的细菌更敏感[59]细菌浓度相同处理条件下,细菌浓度越低,杀菌效果越好[34]微生物类型革兰氏阴性菌比革兰氏阳性菌更易杀灭[60]介质条件温度温度升高增加空气中电子的自由度,使电离碰撞更易发生[19]pH值低pH值下杀菌效果更显著[61]电导率低电导率杀菌效果强[34]湿度导线表面的水分子膜提高二次电子发射系数,增加放电强度,从而增强杀菌效果[19,62]

2.2.3 影响交变电场杀菌效果的主要因素

目前关于交变电场处理食品杀菌的研究较少,暂未被学者广泛研究。但交变电场对食品的处理类似于静电场。影响杀菌效果的因素(如电场强度、处理时间、微生物特性等)也有着同样的作用。革兰氏阴性菌细胞膜结构简单,由一层薄薄的肽聚糖和脂多糖组成,比革兰氏阳性菌敏感[60]。处于对数生长期的细胞比处于稳定期的细胞对电场更加敏感。电压升高可以抑制过氧化氢酶的活性[63]

3 电场技术在肉品杀菌中的主要应用

3.1 PEF

PEF是一种环保、高效的非热技术,在过去几十年中作为传统食品加工技术的有价值且可持续的替代方案,引发了食品行业的极大关注[64]。目前,在食品中使用PEF控制食源性病原体的研究已经成熟。但PEF在食品中的杀菌应用多为液体果蔬汁的杀菌,在固体食品如肉类中的效果往往不如液体,只能减少固体表面的部分细菌,且对肉类施加类似液体杀菌的高强度电场会产生类似欧姆加热的效果,限制了PEF在肉类杀菌保鲜方面的应用[65]。Clemente等[66]用PEF联合有机酸灭活鸡肉中的空肠弯曲杆菌,发现较高电场强度的PEF能够将空肠弯曲杆菌数量减少1.7~1.9(lg(CFU/g))。李霜等[67]探究PEF对调理牛肉的杀菌效果,发现在脉冲频率30.5 kHz、占空比2.3%、处理时间7 min、电场强度45 kV/cm条件下,PEF对调理牛肉中微生物致死率达87.33%,使调理牛肉货架期延长2 d。Saif等[68]将脉冲直流方波电信号施加到山羊肉样品上,在其表面接种大肠杆菌O157:H7,探究不同电场强度、处理时间、占空比对灭菌效果的影响。结果表明,在处理持续时间为32 min时,3 种强度的电流均能有效灭活大肠杆菌,使其数量减少8(lg(CFU/mL))。处理持续时间的缩短会导致大肠杆菌的灭活效果降低。1 kHz或更高的频率和50%或更高的占空比可以加速大肠杆菌的灭活。PEF对常见的食源性病菌如大肠杆菌、沙门氏菌等均有显著杀菌效果。Saldaña等[50]探究不同温度、pH值及乳酸链球菌素对PEF处理大肠杆菌及沙门氏菌的灭菌效果,以纯培养物作为研究对象,发现温度对PEF灭活2 种细菌有重要影响,在50 ℃条件下,鼠伤寒沙门氏菌和大肠杆菌O157:H7数量分别减少4.9、5.1(lg(CFU/mL)),当pH 5.25时革兰氏阴性菌最敏感。PEF在不同肉品中的杀菌效果如表4所示。

表4 PEF在不同肉品中的杀菌效果
Table 4 Bactericidal effect of pulsed electric field in different meat

肉品种类电场参数微生物类型杀菌效果参考文献鸡肉1 Hz、20 μs、20 kV/cm空肠弯曲杆菌减少1.7~1.9(lg(CFU/g))[66]调理牛肉30.5 kHz、7 min、45 kV/cm菌落总数致死率达87.33%[67]山羊肉1 kHz、20 mA/cm大肠杆菌O157:H7减少8(lg(CFU/mL))[68]罗非鱼6.5 s、0.1 Hz、500 kV/m菌落总数比对照组降低约1.2(lg(CFU/g)) [69]调理牛肉30.5 kHz、7 min、45 kV/cm,与乳酸链球菌素联合处理菌落总数货架期延长12 d 以上[70]鱼糜 0.8 ms、10 kV/cm,与豌豆分离蛋白-表没食子儿茶素没食子酸酯复合物联合处理15 kV/cm取、物8 0与0等个离脉子冲体,联与合C h处a m理u ang叶提菌落总数比对照货组架减800 个10脉H冲z真、,空1与0浸0刺 渍m果s联、番合1荔5处 枝k V理叶/cm提、取物与菌菌、肠落假杆总单菌数胞科、菌细嗜属菌冷、贮藏6 1(5菌落总数鱼糜冷藏期延长至少6 d[71]南美白对虾少3.14(lg(CFU/g)),期延长至18 d以上[72]太平洋白虾d内菌落总数均低于lg(CFU/g))[73]

3.2 静电场

3.2.1 在畜产品中的杀菌效果

相较于PEF,HVEF关于杀灭食源性病原体的研究较为有限,但目前HVEF已被广泛验证其杀菌效果。Gan Junlan等[58]研究HVEF在-1 ℃下对贮藏猪肉的微生物种群和肉品质量的影响,结果发现,使用35 kV HVEF使菌落总数下降0.51(lg(CFU/g)),假单胞菌属的数量显著减少。胡斐斐等[74]研究不同隔距下LVEF辅助冷藏对牛肉的品质影响,发现在冷藏第7天时,隔距10、30、50 cm组菌落总数分别为5.11、5.54、5.27(lg(CFU/g)),显著低于对照组和隔距70 cm组,使牛肉的贮藏期延长2 d。魏国平等[75]在研究中发现,输出电压为2 200 V的DENBA+静电场技术可使猪肉货架期延长2 d。Xu Yuqian等[76]探究不同使用频率的静电场辅助下新鲜猪肉的新鲜度和细菌群落变化,发现连续使用静电场处理的新鲜猪肉较无处理的新鲜猪肉贮藏期延长8 d以上,可显著降低假单胞菌属、乳杆菌属和支香丝菌属的相对丰度。齐梦圆[77]对比高压芒刺电场与板-板型HVEF、HVAEF对金黄色葡萄球菌杀灭效果的差异,发现高压芒刺电场效果明显优于另外2 种电场,且当电压高于10 kV时,高压芒刺电场处理15 min对培养基平板表面金黄色葡萄球菌的致死率可达99.9%以上。使用13 kV的高压芒刺电场处理30 min,在猪里脊肉表面分别可实现(98.6±0.3)%的杀菌率,这是由于高压芒刺电场破坏了金黄色葡萄球菌的细胞膜完整性,改变了其形态和酯酶活性,促进金黄色葡萄球菌活性氧的产生[22]

3.2.2 在水产品中的杀菌效果

静电场杀菌在水产品中也有广泛研究,在延长货架期的同时还能保持水产品的新鲜度。Huang Han等[78]使用30 kV HVEF处理鲶鱼片15 min,发现总挥发性盐基氮(total volatile basic nitrogen,TVB-N)含量和菌落总数分别比对照组降低11.9 mg/100 g和1.78(lg(CFU/g)),使鲶鱼片在4 ℃下的货架期延长2 d,同时高通量测序结果显示该处理能抑制不动杆菌和链球菌等腐败菌的生长。方旭波等[79]通过LVEF对鱿鱼进行保鲜,发现贮藏第15天时,对照组菌落总数超过6(l g(C F U/g)),L V E F 组菌落总数仍低于5(lg(CFU/g)),且质构特性和感官品质均优于对照组,表明LVEF能有效减缓水产品硬度、弹性等感官品质下降。Qi Mengyuan等[80]对可生食鲑鱼片分别进行0、6、15 min HVPEF处理,发现分别在贮藏第2、6、10天,其菌落总数超过SC/T 3117—2006《生食金枪鱼》中推荐的生食限值4(lg(CFU/g)),使货架期延长4~8 d,降低了鲑鱼的滴水损失率、蛋白质降解程度和胶黏性。Hsieh等[81]在研究中发现,采用HVEF处理罗非鱼可以有效降低菌落总数,显著延长鱼眼混浊的时间,有效保持新鲜度。Ko等[82]探究不同电场强度HVEF对罗非鱼新鲜度的影响,结果发现,HVEF处理可有效降低4 ℃冷藏罗非鱼肉中微生物的生长速率,当电场强度从0 kV/m增加至900 kV/m时,抑制作用增强10 倍,可以有效保持鱼类的新鲜度。

3.2.3 与其他杀菌技术联用

3.2.3.1 低温保鲜技术

将静电场保鲜技术与低温(冰温、超冰温、微冻)保鲜技术相结合可以有效延长生鲜食品的货架期,同时保持其食用品质。段伟文等[83]将HVEF与冰温保鲜结合,探究其在不同电场强度(1.5、2.5、3.5 kV)下对凡尔滨对虾的保鲜效果,结果表明,1.5 kV处理使凡尔滨对虾货架期延长2 d,2.5、3.5 kV处理使其货架期延长4 d,贮藏期间,静电场与冰温作用可以改善虾肉色泽,延缓黑变,减缓组织结构及感官品质的下降。赵良等[84]探究HVEF结合冰温及气调技术对罗非鱼片的品质影响,比较不同HVEF下的作用效果,发现HVEF处理可明显抑制鱼肉中细菌的生长,且3.8 kV HVEF抑菌效果优于1.8 kV,可将货架期延长至30 d,同时能够显著改善鱼肉的感官品质,显著抑制肉汁渗出。岑剑伟等[85]发现,将HVEF结合冰温对罗非鱼片进行保鲜可以有效维持鱼片的新鲜度,将货架期延长至24 d。徐毓谦等[86]研究电场辅助冰温和超冰温贮藏对生鲜牛肉品质的影响,结果表明,电场辅助冰温、超冰温贮藏可以抑制牛肉贮藏期间菌落总数上升和TVB-N含量增加,并且在一定程度上减少硫化物的产生,使货架期达28 d。在微冻贮藏环节引入电场处理技术,可显著抑制冰晶的形成与生长,进而有效减轻冰晶对水产品细胞结构及组织完整性的破坏作用。梁瑞萍等[87]以蓝点马鲛为研究对象,通过LVEF协同微冻保藏,发现电场处理后的鱼体肌原纤维结构完整,肌肉纤维无明显裂痕,货架期延长至28 d以上。王杏娣等[88]以舟山竹节虾为研究对象,采用LVEF结合微冻方式保鲜,发现LVEF处理能维持pH值相对稳定,在贮藏28 d内,能减少竹节虾碱性含氮物质的产量,贮藏第28天时,其菌落总数仅为5.48(lg(CFU/g)),远低于对照组的7.06(lg(CFU/g))。熊宇飞等[89]选取3 种高压(8、12、16 kV)对4 ℃低温贮藏的刀额新对虾进行连续处理,结果发现,相比于对照组,8、12、16 kV组在贮藏6 d时菌落总数分别减少0.51、0.84、1.03(lg(CFU/g)),能够使刀额新对虾货架期延长2 d以上,表明电压越大,保鲜效果越好。静电场结合微冻保鲜技术在带鱼[90]、红虾[91]、脊腹褐虾[92]的保鲜中也有类似效果。

3.2.3.2 其他杀菌技术

静电场杀菌与紫外线、添加抑菌物质等其他处理协同也可以达到协同增效杀菌的效果。Zhang Yihan等[93]使用紫外线协同HVEF杀菌,以大肠杆菌纯培养物为研究对象,5 min内大肠杆菌菌落数降低4.2(lg(CFU/g)),比单独紫外线杀菌降低3.7(lg(CFU/g)),且比单独HVEF处理降低0.17(lg(CFU/g)),协同杀菌作用显著。高天麒等[94]探究食盐与HVEF联合处理对4 ℃冷藏鮰鱼品质的影响,结果表明,在贮藏第7天时,对照组菌落总数达7.3(lg(CFU/g)),处理组的菌落总数均低于5.5(lg(CFU/g)),货架期延长2 d及以上,表明HVEF处理联合食盐腌制能有效延缓斑点叉尾鮰在冷藏期间的品质劣变。Chen Kai等[95]使用肉桂精油联合HVEF处理猪肉末,结果表明,两者协同处理优于单一处理,HVEF显著改善了肉桂精油的防腐效果,使其能够在不影响其原有感官品质的情况下,将猪肉末的保质期从约3 d延长至7 d。Yu Qi等[96]将肉桂醛纳米乳剂与HVEF结合,探究其对生鲜猪肉贮藏品质的影响,结果发现,HVEF预处理使猪肉的菌落总数降低1.14(lg(CFU/g)),使货架期延长至8 d以上。与上述浸泡在肉桂醛纳米乳剂中的处理方式不同,Yu Qi等[97]还采用肉桂醛纳米乳剂气调包装结合HVEF处理贮藏猪肉,结果表明,非接触方式的肉桂醛纳米乳剂气调包装结合HVEF可使猪肉货架期延长至10 d以上。

3.3 交变电场

交变电场目前研究应用较少,在食品、环境[98]、传热[99-100]方面均有应用,还可用于生物材料如红细胞保存[101-102],食品中的应用研究主要集中在水产品保鲜。沈莹杰等[41]以南美白对虾为研究对象,探究在交变电场叠加作用下的微冻保鲜效果(电场强度8 600 V/m,环境温度-3 ℃),结果表明,在交变电场作用下,蛋白质的流失率和菌落总数明显下降,交变电场组菌落总数比对照组降低2(lg(CFU/g))。Fan Zekai等[103]将交变电场作用于南美白对虾,发现该处理可显著延缓TVB-N含量的增加及脂质氧化,贮藏第10天时,经间歇使用交变电场和连续使用交变电场处理的南美白对虾菌落总数分别比对照组降低1.17、1.21(lg(CFU/g))。尚子寒等[27]发现,LVAEF处理能够显著提高带鱼保鲜效果,使其货架期延长7 d以上,抑制贮藏过程中挥发性盐基氮的生成速率,且电场强度越大抑制效果越明显。除水产品保鲜外,交变电场在辅助冻结牛肉解冻成熟方面也有显著效果[24,104-106]。此外,交变电场还可应用于果蔬的保鲜,如葡萄[107]、菠菜、大白菜[108]和西红柿[109]等。目前交变电场在食品方面的研究应用较少,关于贮藏保鲜的机理还有待探究。

4 结 语

PEF是食品灭菌和保存极具前景的技术之一。相比于热杀菌,它能更好地保持食品的风味、颜色、质地和营养价值。目前,PEF杀菌研究在液态食品中应用较为广泛,但其大规模工业化生产研究进展较慢,且在固体食品中杀菌效果往往不如HVEF[30]。PEF处理设备多为静态平电极结构,加工能力较差,难以满足工业化食品生产的需求[110]。针对食品的多样化,还需要不断地改进、调试电场参数,优化PEF设备是推进其工业化的关键。

HVEF灭菌设备简单,易于与现有工业生产线集成,能在低温下高效灭菌,具有能耗低、无化学残留、适应性强等优点,在工业生产中具有潜在应用价值。但其存在处理能力有限、效率受多因素影响、技术标准不完善、作用机理研究不足等局限,制约其工业应用,需进一步研究优化[19]。HVEF运行功率低,PEF响应时间短,在电场辅助作用下可以大大减少防腐剂和有机溶剂等化学物质的用量[29]。交变电场在食品领域应用及机制研究较少,但作为非热杀菌技术仍然具有对营养物质破坏较少等优点。电场对肌肉组织结构的作用机理尚未完全阐明,不同电场模式(如静电场、PEF、交变电场)的影响差异仍不详尽,为了精确阐明每种类型电场在其作用过程中使肉类生理特性发生变化的不同机制以及对不同肉类品质特性的影响,仍需进一步进行科学、系统的对比实验。

电场杀菌技术作为非热杀菌技术,具备广泛的适用性,不仅能有效抑制有害细菌与酶的活性,还能精准控制冰晶生长,进而延长食品货架期。同时,该技术可大幅减少化学添加剂的使用,契合节能环保的理念。但电场设备通常初期投入成本较高,且保鲜时多使用高压电场,存在安全风险,同时需要专业人员进行日常维护。为了增强电场技术的进一步应用,还需要更多对比不同类型电场作用效果的应用研究,同时增强实验室和中试工厂层面的可行性,并结合工厂实际情况进行优化应用。

参考文献:

[1] LI X, FARID M.A review on recent development in non-conventional food sterilization technologies[J].Journal of Food Engineering, 2016,182: 33-45.DOI:10.1016/j.jfoodeng.2016.02.026.

[2] BHATTACHARJEE C, SAXENA V K, DUTTA S.Novel thermal and non-thermal processing of watermelon juice[J].Trends in Food Science &Technology, 2019, 93: 234-243.DOI:10.1016/j.tifs.2019.09.015.

[3] LOPES S J S, SANT’ANA A S, FREIRE L.Non-thermal emerging processing technologies: mitigation of microorganisms and mycotoxins, sensory and nutritional properties maintenance in clean label fruit juices[J].Food Research International, 2023, 168: 112727.DOI:10.1016/j.foodres.2023.112727.

[4] WEI S, CHEN T, HOU H W, et al.Recent advances in electrochemical sterilization[J].Journal of Electroanalytical Chemistry, 2023, 937:117419.DOI:10.1016/j.jelechem.2023.117419.

[5] GHOSHAL G.Comprehensive review on pulsed electric field in food preservation: gaps in current studies for potential future research[J].Heliyon, 2023, 9(6): e17532.DOI:10.1016/j.heliyon.2023.e17532.

[6] 朱波.静电场与交变电场对煤吸附特性的对比研究[J].煤炭技术,2015, 34(2): 171-173.DOI:10.13301/j.cnki.ct.2015.02.066.

[7] 张涛.高压脉冲电场灭菌参数及电穿孔机制研究[D].杭州: 杭州电子科技大学, 2018.

[8] MAHNIČ-KALAMIZA S, VOROBIEV E, MIKLAVČIČ D.Electroporation in food processing and biorefinery[J].The Journal of Membrane Biology, 2014, 247(12): 1279-1304.DOI:10.1007/s00232-014-9737-x.

[9] SCHOENBACH K H, JOSHI R P, KOLB J F, et al.Ultrashort electrical pulses open a new gateway into biological cells[J].Proceedings of the IEEE, 2004, 92(7): 1122-1137.DOI:10.1109/JPROC.2004.829009.

[10] TOEPFL S, SIEMER C, HEINZ V.Chapter 8-Effect of high-intensity electric field pulses on solid foods[M].2nd ed.San Diego: Academic Press, 2014: 147-154.

[11] TEISSIÉ J, PRATS M, SOUCAILLE P, et al.Evidence for conduction of protons along the interface between water and a polar lipid monolayer[J].Proceedings of the National Academy of Sciences,1985, 82(10): 3217-3221.DOI:10.1073/pnas.82.10.3217.

[12] ZIMMERMANN U, PILWAT G, BECKERS F, et al.Effects of external electrical fields on cell membranes[J].Bioelectrochemistry and Bioenergetics, 1976, 3(1): 58-83.DOI:10.1016/0302-4598(76)85007-6.

[13] JOSHI R P, HU Q, SCHOENBACH K H, et al.Improved energy model for membrane electroporation in biological cells subjected to electrical pulses[J].Physical Review E, 2002, 65(4): 041920.DOI:10.1103/PhysRevE.65.041920.

[14] 胡斐斐, 钱书意, 黄峰, 等.低压静电场辅助短期冻藏对猪肉品质的影响[J].中国农业科学, 2021, 54(9): 1993-2005.DOI:10.3864/j.issn.0578-1752.2021.09.015.

[15] MAHMOUDI A R, POURFAYAZ F, KASAEIAN A.A simplified model for estimating heat transfer coefficient in a chamber with electrohydrodynamic effect (Corona wind)[J].Journal of Electrostatics,2018, 93: 125-136.DOI:10.1016/j.elstat.2018.04.007.

[16] CHEN J H, DAVIDSON J H.Electron density and energy distributions in the positive DC Corona: interpretation for Corona-enhanced chemical reactions[J].Plasma Chemistry and Plasma Processing, 2002,22(2): 199-224.DOI:10.1023/A:1014851908545.

[17] SATTARI P, PETER CASTLE G S, ADAMIAK K.FEM-FCTbased dynamic simulation of Corona discharge in point-plane configuration[J].IEEE Transactions on Industry Applications, 2010,46(5): 1699-1706.DOI:10.1109/TIA.2010.2057493.

[18] 李昌文.冷杀菌技术在酱油生产中的应用[J].中国调味品, 2012,37(1): 14-16.DOI:10.3969/j.issn.1000-9973.2012.01.005.

[19] PAN D, WEN D Y, GUO X, et al.Factors influencing the sterilization of E.coli in a high-voltage electric field: electric field strength, temperature and humidity[J].Processes, 2025, 13(2): 551.DOI:10.3390/pr13020551.

[20] SUN W, XU X B, ZHANG H, et al.Effects of dipole polarization of water molecules on ice formation under an electrostatic field[J].Cryobiology, 2008, 56(1): 93-99.DOI:10.1016/j.cryobiol.2007.10.173.

[21] VEGIRI A.Reorientational relaxation and rotational-translational coupling in water clusters in a d.c.external electric field[J].Journal of Molecular Liquids, 2004, 110(1/2/3): 155-168.DOI:10.1016/j.molliq.2003.09.011.

[22] QI M Y, ZHAO R Q, LIU Q Y, et al.Antibacterial activity and mechanism of high voltage electrostatic field (HVEF) against Staphylococcus aureus in medium plates and food systems[J].Food Control, 2021, 120: 107566.DOI:10.1016/j.foodcont.2020.107566.

[23] JACKSON T H, UNGAN A, CRITSER J K, et al.Novel microwave technology for cryopreservation of biomaterials by suppression of apparent ice formation[J].Cryobiology, 1997, 34(4): 363-372.DOI:10.1006/cryo.1997.2016.

[24] 武广玉, 杨川, 黄峰, 等.交变电场辅助冻结对牛肉解冻成熟过程中能量代谢的影响[J].食品科学, 2023, 44(11): 32-38.DOI:10.7506/spkx1002-6630-20220613-134.

[25] KANG T, YOU Y, JUN S.Supercooling preservation technology in food and biological samples: a review focused on electric and magnetic field applications[J].Food Science and Biotechnology, 2020, 29(3):303-321.DOI:10.1007/s10068-020-00750-6.

[26] 赵金红, 胡锐, 刘冰, 等.几种冷冻新技术对食品冻结过程中冰晶形成的影响[J].食品与机械, 2012, 28(6): 241-245.DOI:10.3969/j.issn.1003-5788.2012.06.061.

[27] 尚子寒, 沈俊, 张家玮, 等.低压交变电场协同冰温对带鱼船上保鲜品质的影响[J].食品研究与开发, 2022, 43(12): 1-8.DOI:10.12161/j.issn.1005-6521.2022.12.001.

[28] 范大明, 焦熙栋.电磁场和电场改善鱼糜制品凝胶特性的机制及应用[J].中国食品学报, 2019, 19(1): 1-11.DOI:10.16429/j.1009-7848.2019.01.001.

[29] WANG Q J, LI Y F, SUN D W, et al.Enhancing food processing by pulsed and high voltage electric fields: principles and applications[J].Critical Reviews in Food Science and Nutrition, 2018, 58(13): 2285-2298.DOI:10.1080/10408398.2018.1434609.

[30] 齐梦圆, 刘卿妍, 石素素, 等.高压电场技术在食品杀菌中的应用研究进展[J].食品科学, 2022, 43(11): 284-292.DOI:10.7506/spkx1002-6630-20210313-175.

[31] 魏新劳, 王浩然, 郭政良, 等.工业用高压脉冲电场灭菌电源研制[J].电机与控制学报, 2019, 23(3): 65-72.DOI:10.15938/j.emc.2019.03.009.

[32] 王思敏.中强脉冲电场处理室多物理场耦合仿真与蓝莓果汁杀菌效果研究[D].北京: 北京林业大学, 2022.DOI:10.26949/d.cnki.gblyu.2022.001249.

[33] 张若兵, 陈杰, 肖健夫, 等.高压脉冲电场设备及其在食品非热处理中的应用[J].高电压技术, 2011, 37(3): 777-786.DOI:10.13336/j.1003-6520.hve.2011.03.002.

[34] 刘英.高压芒刺电场结合肉桂醛处理对单增李斯特菌的杀菌效果及机理研究[D].长春: 吉林大学, 2022.DOI:10.27162/d.cnki.gjlin.2022.007013.

[35] 王云龙, 白爱枝, 宋智青, 等.不同高压电场对大肠杆菌诱变效应的比较[J].核农学报, 2018, 32(1): 14-21.DOI:10.11869/j.issn.100-8551.2018.01.0014.

[36] 张佰清, 程玉来, 常雪妮.芒刺高压静电场处理对大肠杆菌微生活环境的影响[J].食品科技, 2007, 32(5): 40-43.DOI:10.3969/j.issn.1005-9989.2007.05.012.

[37] WANG Q J, DONG Q X, SUN D W, et al.Effects of high voltage electrostatic field assisted freezing enhanced with ultrahigh permittivity ceramic on quality attributes of grass carp (Ctenopharyngodon idella)fillets during frozen storage[J].LWT-Food Science and Technology,2024, 198: 116001.DOI:10.1016/j.lwt.2024.116001.

[38] 付喜锦.数字遥控高压静电场电源设计与实现[J].自动化与仪器仪表, 2017(3): 58-60.DOI:10.14016/j.cnki.1001-9227.2017.03.058.

[39] 赵以雪.高压静电场对圣女果保鲜效果的影响及试验装置设计[D].杨凌: 西北农林科技大学, 2023.DOI:10.27409/d.cnki.gxbnu.2023.001707.

[40] 黄显吞.高压静电场作用机理的物理解释及其在农业中的应用[J].广东农业科学, 2010, 37(7): 189-191.DOI:10.16768/j.issn.1004-874x.2010.07.025.

[41] 沈莹杰, 杨水兵, 蔡勇, 等.高压交变电场在水产品保鲜中的应用[J].现代农业科技, 2017(22): 243-245.

[42] 王婷玉.高压脉冲电场技术对鲜切苹果中病原菌杀菌效果及品质影响研究[D].雅安: 四川农业大学, 2017: 20-44.

[43] 方婷.高压脉冲电场杀菌动力学及处理室改进研究[D].福州: 福建农林大学, 2008: 36-42.

[44] 田媛, 平雪良, 姚文龙, 等.高压脉冲电场杀菌设备的能量利用[J].食品与机械, 2016, 32(1): 77-80.DOI:10.13652/j.issn.1003-5788.2016.01.018.

[45] MARTENS H.Transition period of the dairy cow revisited: I.Homeorhesis and its changes by selection and management[J].Journal of Agricultural Science, 2020, 12(3): 1.DOI:10.5539/jas.v12n3p1.

[46] ZHANG J, GHASEMI N, ZARE F, et al.Nanosecond pulsed electric field treatment of human milk: effects on microbiological inactivation,whey proteome and bioactive protein[J].Food Chemistry, 2023, 406:135073.DOI:10.1016/j.foodchem.2022.135073.

[47] MONFORT S, SALDAÑA G, CONDÓN S, et al.Inactivation of Salmonella spp.in liquid whole egg using pulsed electric fields,heat, and additives[J].Food Microbiology, 2012, 30(2): 393-399.DOI:10.1016/j.fm.2012.01.004.

[48] 李静, 肖健夫, 陈杰, 等.高压脉冲电场对苹果汁中大肠杆菌与金黄色葡萄球菌的钝化效果[J].食品与发酵工业, 2010, 36(8): 41-45.DOI:10.13995/j.cnki.11-1802/ts.2010.08.025.

[49] WANG Y X, SHA K Y, GUO X Y, et al.Optimization and simulation of pulsed electric field treatment chamber for food sterilization[J].Food Science and Technology, 2023, 43: e126022.DOI:10.1590/fst.126022.

[50] SALDAÑA G, MONFORT S, CONDÓN S, et al.Effect of temperature, pH and presence of nisin on inactivation of Salmonella typhimurium and Escherichia coli O157:H7 by pulsed electric fields[J].Food Research International, 2012, 45(2): 1080-1086.DOI:10.1016/j.foodres.2011.03.059.

[51] 黎玲.高压脉冲电场杀菌对建阳桔柚汁品质的影响研究及相应生产线设计[D].福州: 福建农林大学, 2017: 5-8.DOI:10.27018/d.cnki.gfjnu.2017.000436.

[52] 牛德宝.脉冲电场杀灭醋酸菌及钝化其关键产酸酶机制研究[D].广州: 华南理工大学, 2020: 25-40.DOI:10.27151/d.cnki.ghnlu.2020.004906.

[53] 邝金艳, 林颖, 王丽, 等.中强度脉冲电场对大肠杆菌的灭活效果及机理分析[J].现代食品科技, 2025, 41(3): 192-202.DOI:10.13982/j.mfst.1673-9078.2025.3.0111.

[54] CORBO M R, BEVILACQUA A, CAMPANIELLO D, et al.Prolonging microbial shelf life of foods through the use of natural compounds and non-thermal approaches: a review[J].International Journal of Food Science & Technology, 2009, 44(2): 223-241.DOI:10.1111/j.1365-2621.2008.01883.x.

[55] RASO J, FREY W, FERRARI G, et al.Recommendations guidelines on the key information to be reported in studies of application of PEF technology in food and biotechnological processes[J].Innovative Food Science & Emerging Technologies, 2016, 37: 312-321.DOI:10.1016/j.ifset.2016.08.003.

[56] ARONSSON K, RÖNNER U.Influence of pH, water activity and temperature on the inactivation of Escherichia coli and Saccharomyces cerevisiae by pulsed electric fields[J].Innovative Food Science &Emerging Technologies, 2001, 2(2): 105-112.DOI:10.1016/S1466-8564(01)00030-3.

[57] 王晓芸, 高天麒, 孙卫青, 等.高压静电场对鮰鱼中不动杆菌与希瓦氏菌互作的影响[J].中国食品学报, 2025, 25(2): 353-364.DOI:10.16429/j.1009-7848.2025.02.031.

[58] GAN J L, MUKADDAS M, TAO Y, et al.High-voltage electrostatic field with 35 kV-15 min could reduce Pseudomonas spp.to maintain the quality of pork during -1 ℃ storage[J].Innovative Food Science & Emerging Technologies, 2024, 94: 103700.DOI:10.1016/j.ifset.2024.103700.

[59] 陈婧, 曾新安, 王满生.柚皮苷与脉冲电场对酿酒酵母的协同致死作用[J].食品与发酵工业, 2013, 39(9): 27-30.DOI:10.13995/j.cnki.11-1802/ts.2013.09.022.

[60] HAN L, PATIL S, BOEHM D, et al.Mechanisms of inactivation by high-voltage atmospheric cold plasma differ for Escherichia coli and Staphylococcus aureus[J].Applied and Environmental Microbiology,2015, 82(2): 450-458.DOI:10.1128/AEM.02660-15.

[61] 黄明明.低温等离子体对金黄色葡萄球菌和鼠伤寒沙门氏菌杀菌机理及应用研究[D].南京: 南京农业大学, 2019: 33-45.DOI:10.27244/d.cnki.gnjnu.2019.000679.

[62] SHEN N X, SU Z H, ZHANG Y H, et al.The influence of charge characteristics of suspension droplets on the ion flow field in different temperatures and humidity[J].Plasma Science and Technology, 2022,24(4): 044004.DOI:10.1088/2058-6272/ac5afb.

[63] 卢倩倩, 刘辉兰.交变电场对过氧化物酶活性影响的研究[J].德州学院学报, 2011, 27(4): 36-39; 55.DOI:10.3969/j.issn.1004-9444.2011.04.011.

[64] CAVALCANTI R N, BALTHAZAR C F, MARGALHO L P, et al.Pulsed electric field-based technology for microbial inactivation in milk and dairy products[J].Current Opinion in Food Science, 2023,54: 101087.DOI:10.1016/j.cofs.2023.101087.

[65] JEONG S H, LEE H B, LEE D U.Effects of pulsed electric field on meat tenderization and microbial decontamination: a review[J].Food Science of Animal Resources, 2024, 44(2): 239-254.DOI:10.5851/kosfa.2023.e82.

[66] CLEMENTE I, CONDÓN-ABANTO S, PEDRÓS-GARRIDO S, et al.Efficacy of pulsed electric fields and antimicrobial compounds used alone and in combination for the inactivation of Campylobacter jejuni in liquids and raw chicken[J].Food Control, 2020, 107: 106491.DOI:10.1016/j.foodcont.2019.01.017.

[67] 李霜, 李诚, 陈安均, 等.高压脉冲电场对调理牛肉杀菌效果的研究[J].核农学报, 2019, 33(4): 722-731.DOI:10.11869/j.issn.100-8551.2019.04.0722.

[68] SAIF S M H, LAN Y, WILLIAMS L L, et al.Reduction of Escherichia coli O157:H7 on goat meat surface with pulsed DC square wave signal[J].Journal of Food Engineering, 2006, 77(2): 281-288.DOI:10.1016/j.jfoodeng.2005.06.031.

[69] WANG J, WANG Q J, XU L, et al.Effects of extremely low frequency pulsed electric field (ELF-PEF) on the quality and microstructure of tilapia during cold storage[J].LWT-Food Science and Technology,2022, 169: 113937.DOI:10.1016/j.lwt.2022.113937.

[70] 李霜.高压脉冲电场联合乳酸链球菌素对调理牛肉保鲜效果的研究[D].雅安: 四川农业大学, 2019.DOI:10.27345/d.cnki.gsnyu.2019.000772.

[71] 陈泽玲.脉冲电场预处理对豌豆分离蛋白与EGCG互作的影响及其在鱼糜保鲜中的应用[D].广州: 华南理工大学, 2023.DOI:10.27151/d.cnki.ghnlu.2023.003384.

[72] AHMAD SHIEKH K, ZHOU P, BENJAKUL S.Combined effects of pulsed electric field, chamuang leaf extract and cold plasma on quality and shelf-life of Litopenaeus vannamei[J].Food Bioscience, 2021, 41:100975.DOI:10.1016/j.fbio.2021.100975.

[73] AHMAD A S, SAE-LEAW T, MA L K, et al.Combined effect of prior pulsed electric field, dechlorophyllized soursop leaf extract and vacuum impregnation on melanosis inhibition and shelf-life extension of refrigerated Pacific white shrimp[J].Food Control, 2024, 163:110494.DOI:10.1016/j.foodcont.2024.110494.

[74] 胡斐斐, 钱书意, 李侠, 等.低压静电场辅助冷藏对牛肉品质的影响[J].食品科学, 2021, 42(1): 132-138.DOI:10.7506/spkx1002-6630-20200106-071.

[75] 魏国平, 冯志刚, 熊双丽, 等.DENBA +静电场猪肉保鲜效果研究[J].现代食品, 2019, 25(23): 99-102; 105.DOI:10.16736/j.cnki.cn41-1434/ts.2019.23.031.

[76] XU Y Q, WEN X Y, ZHANG D Q, et al.Changes in the freshness and bacterial community of fresh pork in controlled freezing point storage assisted by different electrostatic field usage frequencies[J].Food and Bioprocess Technology, 2024, 17(4): 939-954.DOI:10.1007/s11947-023-03180-4.

[77] 齐梦圆.高压芒刺静电场对金黄色葡萄球菌的杀菌作用机理及应用研究[D].长春: 吉林大学, 2023: 21-99.DOI:10.27162/d.cnki.gjlin.2023.000058.

[78] HUANG H, SUN W Q, XIONG G Q, et al.Effects of HVEF treatment on microbial communities and physicochemical properties of catfish fillets during chilled storage[J].LWT-Food Science and Technology,2020, 131: 109667.DOI:10.1016/j.lwt.2020.109667.

[79] 方旭波, 刘淑集, 曹蓉露, 等.低压静电场处理对鱿鱼保鲜效果的影响[J].食品研究与开发, 2024, 45(18): 99-105.DOI:10.12161/j.issn.1005-6521.2024.18.014.

[80] QI M Y, YAN H Y, ZHANG Y, et al.Impact of high voltage prick electrostatic field (HVPEF) processing on the quality of ready-to-eat fresh salmon (Salmo salar) fillets during storage[J].Food Control,2022, 137: 108918.DOI:10.1016/j.foodcont.2022.108918.

[81] HSIEH C W, LAI C H, LEE C H, et al.Effects of high-voltage electrostatic fields on the quality of tilapia meat during refrigeration[J].Journal of Food Science, 2011, 76(6): M312-M317.DOI:10.1111/j.1750-3841.2011.02218.x.

[82] KO W C, YANG S Y, CHANG C K, et al.Effects of adjustable parallel high voltage electrostatic field on the freshness of tilapia (Orechromis niloticus) during refrigeration[J].LWT-Food Science and Technology,2016, 66: 151-157.DOI:10.1016/j.lwt.2015.10.019.

[83] 段伟文, 全沁果, 章雪琴, 等.静电场结合冰温技术对凡纳滨对虾贮藏期品质的影响[J].食品与机械, 2018, 34(12): 101-107.DOI:10.13652/j.issn.1003-5788.2018.12.022.

[84] 赵良, 岑剑伟, 李来好, 等.高压静电场结合冰温气调保鲜技术对罗非鱼鱼片品质的影响[J].南方水产科学, 2016, 12(3): 91-97.DOI:10.3969/j.issn.2095-0780.2016.03.012.

[85] 岑剑伟, 蒋爱民, 李来好, 等.高压静电场结合冰温技术对罗非鱼片贮藏期品质的影响[J].食品科学, 2016, 37(22): 282-288.DOI:10.7506/spkx1002-6630-201622043.

[86] 徐毓谦, 谢菲菲, 张德权, 等.电场辅助冰温和超冰温贮藏对生鲜牛肉品质的影响[J].中国食品学报, 2024, 24(5): 321-332.DOI:10.16429/j.1009-7848.2024.05.027.

[87] 梁瑞萍, 谢超, 王益男.低压静电场协同低温保鲜技术对蓝点马鲛贮藏过程中品质变化的影响[J].浙江海洋大学学报(自然科学版), 2020, 39(6): 517-525; 537.DOI:10.3969/j.issn.1008-830X.2020.06.007.

[88] 王杏娣, 谢超, 梁瑞萍, 等.低压静电场处理对竹节虾(Penaeus japonicus)微冻贮藏过程中品质的影响[J].食品工业科技, 2020,41(7): 1-6; 12.DOI:10.13386/j.issn1002-0306.2020.07.001.

[89] 熊宇飞, 王立爽, 王津, 等.高压静电场结合制冷对刀额新对虾的保鲜作用[J].现代食品科技, 2020, 36(12): 125-132; 292.DOI:10.13982/j.mfst.1673-9078.2020.12.0177.

[90] 张家玮, 谢超, 余铭, 等.低压静电场处理对带鱼微冻贮藏期间品质变化影响[J].食品工业科技, 2020, 41(23): 277-283.DOI:10.13386/j.issn1002-0306.2019110043.

[91] 高飞, 杨水兵, 夏宇, 等.低压静电场对红虾微冻贮藏过程中品质的影响[J].食品研究与开发, 2024, 45(10): 21-28.DOI:10.12161/j.issn.1005-6521.2024.10.004.

[92] 梁瑞萍, 谢超, 王益男, 等.脊腹褐虾在低压静电场-微冻联合保鲜过程中的品质变化研究[J].浙江海洋大学学报(自然科学版), 2020,39(5): 401-408.

[93] ZHANG Y H, LIANG Y, PAN D, et al.Enhancing Escherichia coli inactivation: synergistic mechanism of ultraviolet light and highvoltage electric field[J].Foods, 2024, 13(9): 1343.DOI:10.3390/foods13091343.

[94] 高天麒, 夏雨婷, 吴伟伦, 等.高压静电场联合食盐腌制对鮰鱼冷藏品质的影响[J].包装工程, 2023, 44(7): 138-148.DOI:10.19554/j.cnki.1001-3563.2023.07.016.

[95] CHEN K, ZHANG M, DENG D W.The synergistic antimicrobial effects and mechanism of cinnamon essential oil and high voltage electrostatic field and their application in minced pork[J].Food Control, 2024, 163: 110475.DOI:10.1016/j.foodcont.2024.110475.

[96] YU Q, ZHANG M, ADHIKARI B, et al.Mitigating quality deterioration in chilled pork by combining cinnamaldehyde nanoemulsions and a high-voltage electrostatic field[J].Food Chemistry, 2024, 449: 139306.DOI:10.1016/j.foodchem.2024.139306.

[97] YU Q, ZHANG M, MUJUMDAR A S, et al.Extending shelf life of chilled pork pretreated with high-voltage electrostatic field in modified atmosphere packaging by cinnamaldehyde nanoemulsion at noncontact mode[J].Meat Science, 2025, 225: 109802.DOI:10.1016/j.meatsci.2025.109802.

[98] FU T, TANG J H, WU J X, et al.Alternating electric field enables hyperthermophilic composting of organic solid wastes[J].Science of The Total Environment, 2022, 828: 154439.DOI:10.1016/j.scitotenv.2022.154439.

[99] JHA P K, XANTHAKIS E, JURY V, et al.Advances of electrofreezing in food processing[J].Current Opinion in Food Science, 2018,23: 85-89.DOI:10.1016/j.cofs.2018.06.007.

[100] ZHANG Y, CAO S X, WANG Y H, et al.Application of alternating electric field scale inhibition device in heat exchange station[J].International Journal of Heat and Mass Transfer, 2022, 185: 122321.DOI:10.1016/j.ijheatmasstransfer.2021.122321.

[101] 马亚红, 钟力生, 胡慧玉.交变电场对鸡血红细胞悬液低温保存特性的影响[J].低温工程, 2012(2): 22-25; 59.

[102] 安琪.交变电场对冰晶生长的影响及其在红细胞低温保存中的应用[D].合肥: 中国科学技术大学, 2024: 41-54.DOI:10.27517/d.cnki.gzkju.2024.001697.

[103] FAN Z K, REN X Q, LI C, et al.Effects of different modes of highvoltage alternating electric field action on the freshness and metabolites of Litopenaeus vannamei during partial freezing storage[J].Food Control, 2025, 175: 111313.DOI:10.1016/j.foodcont.2025.111313.

[104] WU G Y, YANG C, BRUCE H L, et al.Effects of alternating electric field during freezing and thawing on beef quality[J].Food Chemistry,2023, 419: 135987.DOI:10.1016/j.foodchem.2023.135987.

[105] 武广玉.交变电场辅助冻结解冻对成熟过程中牛肉品质的影响[D].北京: 中国农业科学院, 2023: 8-19.DOI:10.27630/d.cnki.gznky.2023.000628.

[106] LIN H X, WANG J, CHISORO P, et al.Changes in freezing parameters and temperature distribution of beef induced by AC electric field: alleviation on freezing damage and myowater loss[J].Journal of Food Engineering, 2025, 387: 112343.DOI:10.1016/j.jfoodeng.2024.112343.

[107] 钱徐燕.高压交变电场对阳光玫瑰葡萄冰温贮藏品质的影响[D].杭州: 浙江农林大学, 2024: 10-22.DOI:10.27756/d.cnki.gzjlx.2024.000384.

[108] XIONG W J, MENG J, ZHANG Y X, et al.Effect of alternating current electric fields on the preservation of fresh-cut Chinese cabbage and spinach[J].Innovative Food Science & Emerging Technologies,2025, 102: 104005.DOI:10.1016/j.ifset.2025.104005.

[109] CHANG C K, TSAI S Y, GAVAHIAN M, et al.Direct and alternating current electric fields affect pectin esterase and cellulase in tomato(Solanum lycopersicum L.) fruit during storage[J].Postharvest Biology and Technology, 2023, 205: 112495.DOI:10.1016/j.postharvbio.2023.112495.

[110] TIAN Y, FAN W S, LU W J, et al.Structure optimization of pulsed electric field processor and its sterilization effect[J].Food Quality and Safety, 2023, 8: fyad044.DOI:10.1093/fqsafe/fyad044.

Research Progress on the Application of Electric Field Sterilization Technology in the Meat Industry

XU Yingying1,2, LI Lingyun3, LI Dongling3, KONG Xiaohui3, DENG Shaolin1,2, WANG Xiaoming3, HAN Minyi1,2,*
(1.Yunfu Branch of Guangdong Provincial Laboratory of Lingnan Modern Agricultural Science and Technology, Yunfu 527400, China;2.National Engineering Research Center for Meat Quality and Safety Control, College of Food Science and Technology, Nanjing Agricultural University, Nanjing 210095, China; 3.Wen’s Food Group Co.Ltd., Yunfu 527400, China)

Abstract: Electrostatic field sterilization technology is safe and efficient, and causes neither physical damage nor chemical residue, thus having broad application prospects.This paper gives an overview of the similarities and differences among three different types of electric fields, distinguishes among them from the perspective of physical characteristics, and reviews existing knowledge on their principles.Meanwhile, it analyzes the differences among different electric field devices and their influence on the sterilization effect, and summarizes their main application scenarios in the sterilization of meat and meat products.Finally, it provides an outlook on the future prospects of this field, with the aim of providing theoretical support for the wide application of electric field technology.

Keywords: pulsed electric field; electrostatic field; alternating electric field; meat sterilization

收稿日期:2025-04-15

基金项目:现代农业产业集群创新创业人才项目(YF2024NYRC01);广东省重点领域研发计划项目(2023B0202020002)

第一作者简介:徐莹莹(2002—)(ORCID: 0009-0001-7531-726X),女,硕士研究生,研究方向为肉品加工与质量控制。E-mail: 2265511510@qq.com

*通信作者简介:韩敏义(1975—)(ORCID: 0000-0002-4449-9400),男,副研究员,博士,研究方向为肉品加工与质量控制。E-mail: myhan@njau.edu.cn

DOI: 10.7506/rlyj1001-8123-20250415-110

中图分类号:TS251.1

文献标志码:A

文章编号:1001-8123(2026)03-0082-09

引文格式:

徐莹莹, 李凌云, 李东岭, 等.电场杀菌技术在肉品工业中的应用研究进展[J].肉类研究, 2026, 40(3): 82-90.DOI:10.7506/rlyj1001-8123-20250415-110.http://www.rlyj.net.cn

XU Yingying, LI Lingyun, LI Dongling, et al.Research progress on the application of electric field sterilization technology in the meat industry[J].Meat Research, 2026, 40(3): 82-90.DOI:10.7506/rlyj1001-8123-20250415-110.http://www.rlyj.net.cn